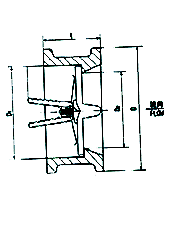
H76X型對夾蝶型止回閥概述: 本廠生產的H76X型對夾式止回閥由閥體、閥瓣、閥桿及彈簧等零件組成,采用對夾連接。H76X型對夾蝶型止回閥由于閥瓣的關閉行程短,并且有彈簧加載,可顯著減少水錘現象。H76X型對夾蝶型止回閥主要適用于城市、工業(yè)及高層建筑給水、排水管網上。由于其結構長度比一般止回閥短,對有安裝空間限制的場所最為適用。 |
 |
 |
H76X型對夾蝶型止回閥主要零部件材料:
|
零件名稱 |
閥體 |
閥瓣 |
閥桿 |
彈簧 |
閥座 |
| 材 料 |
鑄鐵、鑄鋼 |
碳鋼 |
不銹鋼 |
不銹鋼 |
丁腈 橡膠 | |
H76X型對夾蝶型止回閥主要技術參數:
| 型 號 |
公 稱 壓 力 PNMPa |
強度試驗壓力MPa |
密封試驗壓力MPa |
適用 溫度 |
適用 介質 |
| H76X-10 |
1.0 |
1.5 |
1.1 |
≤80℃ |
清水
污水 |
| H76X-16 |
1.6 |
2.4 |
1.76 | | |